鋁型材配件
Product accessories
Product accessories
聯系APAS / Contact us
- 地址:天津市西青經濟技術開發區賽達國際工業城A3-2.
- 郵箱:lxc@apas.com.cn
- 電話:022-87920088
- 傳真:請聯系網絡管理員
- 郵編:300385
- 咨詢熱線:13702119190(24小時服務熱線)
鋁型材緊固配件 / Aluminum profile fittings
產品名稱 / Name
平機螺栓
產品描述 / Describe
平機螺栓是鋁型材框架與防護板材連接常用緊固連接件,需要搭配T型螺母配合使用;采用平機螺栓進行緊固連接首先需要進行錐形工藝孔機加工處理,然后將平機螺栓置入工藝孔內鎖緊即可;
022-87920088
可以根據需求進行設計加工,提供上門安裝服務;可以根據特殊需求進行鋁型材開模定制。
* 免費提供工業鋁型材選型手冊 →點擊咨詢
|
|
![]() ![]()
|
|
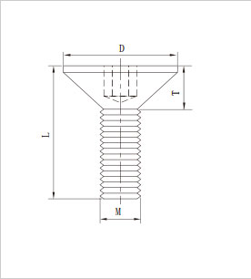
(鋁型材平機緊固螺栓二維參數)
|
| ? |
|
產品名稱
|
螺紋
|
L(mm)
|
D(mm)
|
T(mm)
|
材質
|
訂貨編號
|
|
平機螺栓
|
M5
|
12
|
φ10
|
3
|
碳鋼(鍍鋅)/不銹鋼
|
CE-SSM5×12
|
|
平機螺栓
|
M6
|
10
|
φ12
|
4
|
碳鋼(鍍鋅)/不銹鋼
|
CE-SSM6×10
|
|
平機螺栓
|
M6
|
12
|
φ12
|
4
|
碳鋼(鍍鋅)/不銹鋼
|
CE-SSM6×12
|
|
平機螺栓
|
M6
|
16
|
φ12
|
4
|
碳鋼(鍍鋅)/不銹鋼
|
CE-SSM6×16
|
|
平機螺栓
|
M8
|
20
|
φ14
|
4
|
碳鋼(鍍鋅)/不銹鋼
|
CE-SSM8×20
|
| ? |
|
平機螺栓主要適用于鋁型材框架與板材、合頁、把手等配件的快速連接,可以與T型螺母配合使用;采用平機螺栓連接板材需要對板材進行錐形工藝孔機加工處理,是較為常用的緊固連接配件。 |
?
聯系APAS/ Contact us
天津艾普斯工業鋁型材股份有限公司
聯系電話:022-87920088
企業傳真:(避免惡意廣告)請聯系該企業網絡管理員
服務熱線:13702119190 (24小時服務熱線)
Q Q:534973906
企業郵箱: lxc@apas.com.cn
企業地址:天津市西青經濟技術開發區賽達國際工業城A3-2
聯系電話:022-87920088
企業傳真:(避免惡意廣告)請聯系該企業網絡管理員
服務熱線:13702119190 (24小時服務熱線)
Q Q:534973906
企業郵箱: lxc@apas.com.cn
企業地址:天津市西青經濟技術開發區賽達國際工業城A3-2
采購意向留言:* 為必填



-04車間工作臺主圖.jpg)











QQ咨詢
電話聯系
聯系電話

在線留言
樣冊下載
